Choose your country
Go to your local Sikla page and discover offers for your country or sales region:
Country



Group: 1406
This is a replacement for Old Productname (Part number 123456).
Login to see prices and availabilities
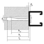
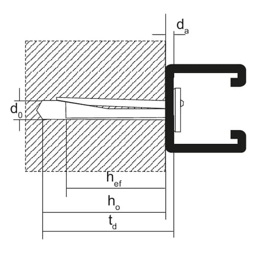
Login or registerSuitable for push-through mounting solutions for quick and safe fixation to concrete ceilings or walls in closed rooms - not suitable for damp locations. Easy drilling (6 mm only ) and simple impact mounting.
Certification

Material base body | steel |
Surface | electro galvanized (Fe//Zn) |
Corossion class | C2 |
Info | Type | Weight | Quantity | Part number | |
| PN 27 N6X35 | 0,011 kg/pcs. | 100 pcs. | - | ||