Wählen Sie Ihr Land
Gehen Sie auf Ihre lokale Sikla-Seite und entdecken Sie Angebote für Ihr Land oder Ihre Verkaufsregion:
Land







Gruppe: 1406
Dies ist ein Ersatz für Old Productname (Artikel-Nr. 123456).
Geeignet zur schnellen und sicheren Befestigung von Bauteilen an Decken oder Wänden aus Beton
Innenliegendes Stufengewinde M8/M10 ermöglicht einfache Anbindung von Bauteilen direkt am Nagelanker
Geringe Bohrtiefe und Bohrdurchmesser reduzieren Bewehrungstreffer und Bohraufwand
Bitte melden Sie sich an um Preise und Verfügbarkeiten zu sehen
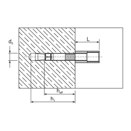
Geeignet zur schnellen und sicheren Befestigung von Bauteilen an Decken oder Wänden aus Beton. Das innenliegende Stufengewinde M8/M10 ermöglicht eine schnelle und einfache Anbindung von Bauteilen (z.B. Rohrleitungen, Deckenabhängungen, Kabelrinnen, etc.) direkt am Nagelanker. Durch die geringe Bohrtiefe von 35 mm und einem Bohrdurchmesser von 6 mm wird die Problematik von Bewehrungstreffern gelöst. Des Weiteren ist hierdurch der Bohraufwand für das Setzen des Ankers äußerst gering.
Zertifizierung




Material Grundkörper | Stahl |
Festigkeitsklasse | 5.8 |
Oberfläche | galvanisch verzinkt (Fe//Zn) |
Korrosionsschutzklasse | C2 |
Typ | FWD 30 | FWD 60 | FWD 90 | FWD 120 |
AN N 6X25 M8/M10 | 0,6 kN | 0,6 kN | 0,6 kN | 0,5 kN |
AN N 6X30 M8/M10 | 0,8 kN | 0,7 kN | 0,6 kN | 0,6 kN |
Das Setzen des Nagelankers AN N M8/M10 lässt sich schnell und einfach durchführen:
1. Bohren
2. Bohrloch reinigen
3. Anker einschlagen - fertig!
Info | Typ | L | Gewicht | Verpackung | Artikel-Nr. | Preis | |
| AN N 6X25 M8/M10 | 25,00 mm | 0,027 kg/Stück | 100 Stück | 112152 | bitte einloggen | ||
| AN N 6X30 M8/M10 | 25,00 mm | 0,027 kg/Stück | 100 Stück | 117561 | bitte einloggen | ||