Wählen Sie Ihr Land
Gehen Sie auf Ihre lokale Sikla-Seite und entdecken Sie Angebote für Ihr Land oder Ihre Verkaufsregion:
Land



Gruppe: B104
Artikel-Nr. 802151
Dies ist ein Ersatz für Old Productname (Artikel-Nr. 123456).
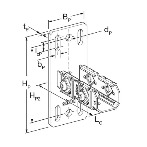
Zur Herstellung von leichteren Konstruktionen innerhalb des Schwerlastsystems siFramo
Ermöglicht den Systemübergang vom siFramo Trägerprofil TP F 80 bzw. 100 zum siMetrix Montageprofil PRO 46
Bitte melden Sie sich an um Preise und Verfügbarkeiten zu sehen
Anmelden oder registrieren
BP | 100 mm |
HP | 210 mm |
HP1 | 160 mm |
HP2 | 170 mm |
dP | 14 mm |
LG | 138 mm |
-VX,Gebr | 1,61 kN |
VX,Gebr | 1,61 kN |
-VY,Gebr | 2,43 kN |
VY,Gebr | 2,43 kN |
-VZ,Gebr | 3,54 kN |
VZ,Gebr | 2,64 kN |
-MY,Gebr | 0,35 kNm |
MY,Gebr | 0,40 kNm |
-MZ,Gebr | 0,39 kNm |
MZ,Gebr | 0,39 kNm |
Material Grundkörper | Stahl |
Oberfläche | HCP |
Korrosionsschutzklasse | C4 |
Zur Profilaufnahme beide Verschlussseiten über das Verbindungsblech aufdrücken, Montageprofil einlegen und schließen. Die Verschlüsse müssen in die Profilnuten eingreifen. Anschließend Schrauben festziehen.
Formschlüssige Anbindung an das Trägerprofil TP F mit 4 Formlockschrauben FLS F.